- Úvod
- Pohony pro posuvná vrata
- Pohon pro posuvna vrata PK 200
Pohon pro posuvna vrata PK 200

- Kompletní specifikace
- Hodnocení 0
- Ke stažení
Pohon pro posuvna vrata PK 200Skladem3 990 Kč/ ks3 298 Kč bez DPH
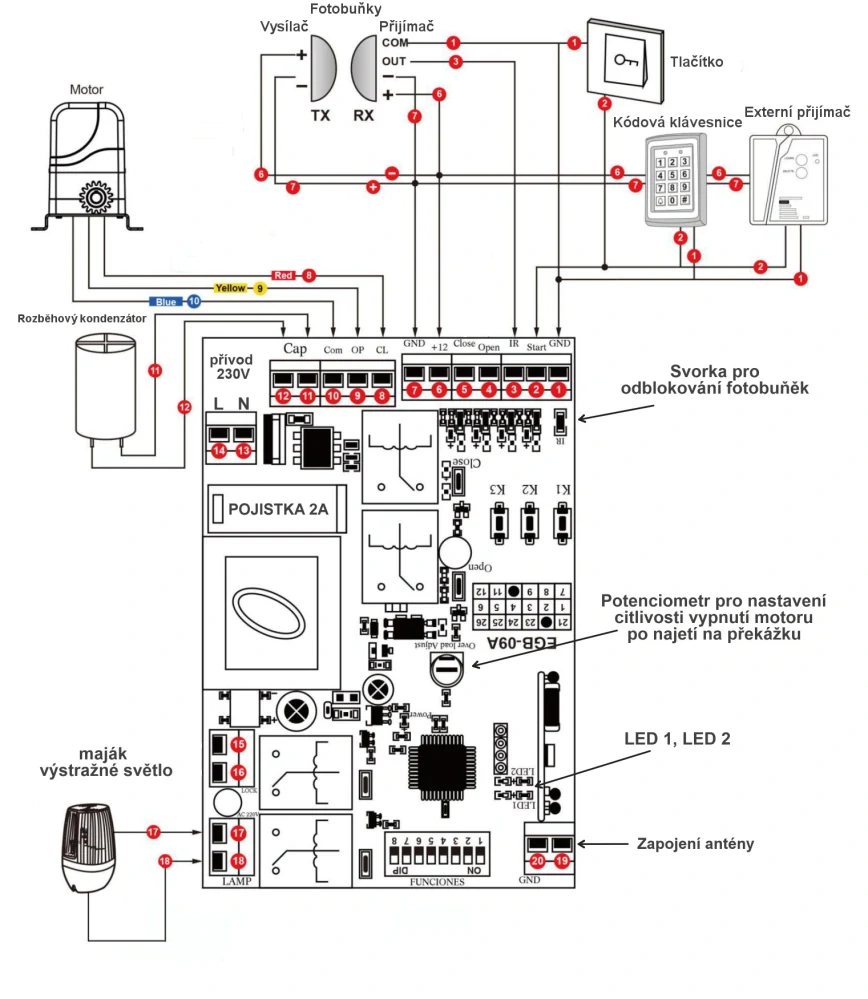
Pohon pro posuvné brány do hmotnosti 200Kg s motorem o výkonu 130W.
Tento pohon vyniká kvalitním zpracováním, jednoduchým nastavením, zajímavým designem a silným během startovním momentem, neboť motor je napájen 230V.
Obsah balení: Samostatný pohon vybaven veškerou elektronikou, tři dálkové čtyř kanálové ovladače s dosahem min 50m, imbusový klíč pro odjištění převodovky, kovové základové nerezové profily, magnety pro koncové polohy, montážní příslušenství, jeden pár fotobuněk ABO 20L, návod v češtině.
Pro montáž budete potřebovat objednat nylonové nebo ocelové hřebeny v délce Vaší brány.
Doporučujeme k pohonu přikoupit maják.
Popis funkcí: Nastavení délky rychlého chodu a pomalého doběhu, nastavitelná síla pro vypnutí překážkou, možnost odepnutí spojky motoru v případě vypnutí el. proudu, možnost přidání externího tlačítka pro průjezd, GSM přijímače (ovládání telefonem), kódovou klávesnicí, wifi přijímačem, chytrá domácnost...
Technická data:
Jmenovitý výkon: 130W, Rychlost: v = 12 m / min, Maximální zatížení: 200kg
Hmotnost: 9kg, Rozměry: 255 x165 x 280mm (Délka, šířka, výška)

.png)



